一、 性能说明:
在材料缺口冲击试验中,其V 型缺口(或U型缺口)的加工是试验能否进行的关键问题,本拉床为您提供一种理想的、可绝对保证百分之百的加工出合格的2mm V 型和2mmU 型缺口的专用设备。
本拉床为油泵液压缸方式驱动,可按用户要求而配置V 型或U 型拉刀,试样缺口一次加工成型,一次可成功拉制两个标准试样缺口,拉刀采用特殊材料、特殊工艺精密加工制造,硬度高、耐磨性好,使用寿命长,操作简便。加工出的V 型缺口和U 型缺口可满足相关国家标准,由于一次拉削加工成型的原理,其加工同一性极好,可保证所加工的试样缺口百分之百合格。
二、 主要技术指标:
1. 加工试样缺口类型:V型,U型(2mm)
2. 加工试样尺寸:10×10×55
3. 拉削速度:2.0m/min
4. 拉刀行程:340 mm
5. 拉刀材质:W18Cr4V
三、 设备主要配置:
1. 主机 1台
2. 2mmV型拉刀 1把
3. 2mmU型拉刀 1把
4. 液压系统 1套(油缸驱动,单缸双刀,阀门调节过油量提速)
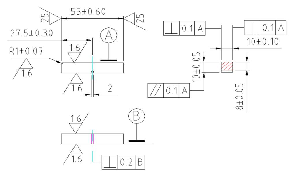
四、 冲击试样
试样的尺寸及粗造度见下图
V型缺口试样

U型缺口试样



