1简介
SHT型微机控制电液伺服试验机采用双空间油缸下置结构。可自动精确地控制试验过程,并自动测量试验力、位移、变形等试验参数。
该试验机主要用于金属材料的拉伸、压缩、弯曲、剪切等试验;可实现等速率加荷、等速率变形、等速率位移等试验,并可在一次试验中实现力、变形、位移三段控制,各控制之间可平滑转换。
通过计算机采集和软件处理,能自动控制试验过程和自动求出试验结果。由微机屏幕实时显示试验曲线和试验结果,并可打印试验报告和试验曲线。
试验软件内置标准网络接口,试验数据可通过此标准接口传输给网络,软件说明书和帮助文档中对此接口有详细说明和使用配置方法,网络软件通过此接口可与试验软件进行数据交换和传输。我们协助用户进行联网,但不单独为用户定制网络接口,也不承担和相关网络公司进行协商协调的责任。如果涉及派出软件人员到用户现场服务需要收取相应费用。
2 方案描述
2.1 主机
主机采用油缸下置式主机,拉伸空间位于主机的上方,压缩、弯曲试验空间位于主机下横梁和工作台之间。
2.1.2 横梁:半开式钳口座,强度高 ,不变形,适合钢厂对螺纹钢等试样超大工作量的拉伸。
2.1.3钳口卡板与钳口座之间设有衬板,有效的保护钳口座免受磨损破坏。
2.1.4主机重量重:刚度大,安全系数高,经久耐用。
2.2 传动系统
下横梁升降采用电机经减速器、链传动机构、丝杠副传动,实现拉伸、压缩空间的调整。
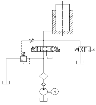
2.3 液压系统
液压原理如下图所示,为负载适应型进油节流调速系统。
![]()

图二 液压原理图
油箱内的液压油通过电机带动高压齿轮泵进入油路,流经单向阀、高压滤油器、压差阀组、伺服阀,进入油缸。计算机发出控制信号到伺服阀,控制伺服阀的开口和方向,从而控制进入油缸液压油的流量,实现等速试验力、等速位移等的控制。
2.4.软件系统
试验软件基于Windows操作平台,具备可编程功能,等速率试验力控制、等速率位移控制、试验力保持、位移保持等多种试验模式任意组合,最大程度的满足了各类试验方法的要求,实现试验需要的各类数据显示、曲线绘制、数据处理及存储打印等功能;通过计算机发出控制信号到伺服阀,控制伺服阀的开口和方向,从而控制进入油缸的流量,实现等速试验力、等速位移等的控制。具备完整的文件操作功能,如试验报告、试验参数、系统参数均可以文件方式存储。系统分级管理,系统参数对专家级用户全部开放,保证了系统的使用灵活可靠。
2.4.1 软件界面
l 集全数字电液伺服闭环控制、数据处理、数据分析于一体
l 具备完整的文件操作功能,如试验报告、试验参数、系统参数均可以文件方式存储。
l 支持各类商业通用打印机。
l 控制系统以软件系统为支撑,升级简易。
软件主界面集材料试验日常操作所有功能,如试样信息录入、试样选择、曲线绘制、数据显示、数据处理、数据分析、试验操作等功能于一体,试验操作简易、快捷

计算机屏幕显示试验力、油缸位移、加载速率、变形试验数据,绘制时间-试验力/变形、变形-试验力等多种试验曲线;自动进行数据处理,数据处理方法满足GB228-2002标准要求,如上下屈服点、最大力点、各类规定非比例应力点、各类规定全伸长应力点等;同时满足试验机压力试验要求;

l 软件同时提供数据分析功能,满足试验人员进行试验分析及进行特殊试验的数据处理

l 具备较强的图形操作功能,如动态试验曲线和数显功能,图形放大、截取功能,光标跟随显示功能等;
l 采用VXDs高速数据采集技术高速数据采集;
l 系统具有完整的文件操作功能用于试验曲线、试验数据的储存;同时,试验数据可以ASCII码形式进行存储,以便于用户进行二次数据处理;
具有单件试验报表输出和批量试验报表输出打印功能;
l 液压夹紧:随动技术液压夹紧,控制夹头的夹紧与松开。
2.5.安全保护装置
2.5.1. 当试验力超过设定保护值或最大试验力的2%~5%时,过载保护,系统卸荷。
2.5.2. 当活塞升起达到上极限位置时,行程保护,伺服油泵电机停机。
2.5.3. 遇到紧急情况时,按下急停按钮,断电停机。
2.6.附具
全套附具包括:拉伸附具、压缩附具、弯曲附具。
2.7.其他
安装调试工具,密封件,使用说明书,合格证,装箱单等见随机技术文件。
3 主要性能技术指标
型号 | SHT4106 | SHT4206 | SHT4305 | SHT4605 | |
1、 | 最大试验力 | 1000kN | 2000KN | 300KN | 600KN |
2、 | 试验机级别 | 1级 | |||
3、 | 试验力测量范围 | 1%-100%FS | |||
4、 | 立柱数 | 6柱 | |||
5、 | 试验力分辨力 | 满量程的1/500000(全量程只有一个分辨力,不分档,没有量程切换冲突) | |||
6、 | 试验力示值相对误差 | ±1% | |||
7、 | 位移测量分辨力 | 0.01mm | |||
8、 | 位移示值相对误差 | ±1% | |||
9、 | 变形示值相对误差 | ±1% | |||
10、 | 加荷速率范围 | 0.02%—2%FS/s | |||
11、 | 拉伸夹头间最大距离 | 760mm | 920mm | 520mm | 710mm |
12、 | 最大压缩空间 | 630mm | 750mm | 520mm | 700mm |
13、 | 两立柱有效距离 | 430mm | 640mm | 405mm | 430mm |
14、 | 活塞最大行程 | 250mm | 250mm | 150mm | 250mm |
15、 | 活塞移动最大速度 | 100mm/min | 100mm/min | 180mm/min | 140mm/min |
16、 | 主机外形尺寸 | 1020×670×2600mm(不包括活塞升起行程) | 1370×820×3400mm(不包括活塞升起行程) | 820×570×1955mm(不包括活塞升起行程) | 940×650×2400mm(不包括活塞升起行程) |
17、 | 油源外形尺寸 | 1150×600×900mm | 1150×600×900mm | 1150×600×900mm | 1150×600×900mm |
18、 | 主机重量 | 约3500 kg | 约7500 kg | 约1300 kg | 约2500 kg |
19、 | 总功率 | 6kW(380VAC)+1.5kW(220VAC) | 6kW(380VAC)+2kW(220VAC) | 2kW(380VAC)+2kW(220VAC) | 4kW(380VAC)+1.5kW(220VAC) |
20、 | 电源 | 3~3W+N+PE,50Hz | 3~3W+N+PE,50Hz | 3~3W+N+PE,50Hz | 3~3W+N+PE,50Hz |
4 系统配置清单
型号 | SHT4106 | SHT4206 | SHT4305 | SHT4605 |
1、 | 双空间B型(油缸下置)主机一台 (带液压夹头、光杠镀铬) | |||
2、 | 电液伺服阀一只(国产品牌) | |||
3、 | 正牌全数字控制器一套(基于DSP全数字闭环电气系统) | |||
4、 | 5升/分钟油源一台 | 10升/分钟油源一台 | 3.5升/分钟油源一台 | 5升/分钟油源一台 |
5、 | 负荷传感器一只(高精度轮辐式负荷传感器) | |||
6、 | 位移传感器一只(国产光电编码器) | |||
7、 | 电子引伸计一只标距 50mm 变形量25mm (引伸计可根据客户实际使用要求配置) | |||
8、 | 商用联想计算机一台 | |||
9、 | 拉伸夹具一套: 圆试样夹块Φ15—Φ55mm;板试样夹块2—40mm | 拉伸夹具一套: 圆试样夹块:Φ15—Φ70mm;板试样夹块:10—70mm | 拉伸夹具一套: 圆试样夹块:Φ10—Φ32mm;板试样夹块:2—25mm | 拉伸夹具一套: 圆试样夹块:Φ10—Φ40mm;板试样夹块:2—30mm |
10、 | 压缩试验装置一套Φ200mm | 压缩试验装置一套:Φ200mm | 压缩试验装置一套:Φ120mm | 压缩试验装置一套:Φ150mm |
11、 | 随机工具一套(钳口更换专用工具) | |||
12、 | ZZTest V3.5金属拉、压试验软件一套 | |||
5 技术情报和资料的保密
5.1 本技术方案属于我公司技术资料,用户应对我方提供的技术情报和资料承担保密义务,不论本方案是否采用,本条款长期有效;
5.2 我方对用户提供的技术情报和资料亦应承担保密义务。


